CEA 10.05 Hook-up

Descriptif du projet :

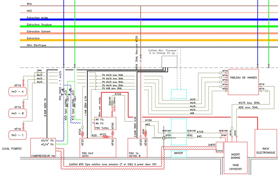
Prestation d’étude puis d’OPC pour le suivi des travaux de hook-up et de transfert des équipements de recherche et expérimentations depuis les bâtiments 51B, C1, C5 et D5 vers le bâtiment 10.05. Réalisation des P&ID des équipements d’atelier, des manipulations cryogéniques, et machines expérimentales sur la base de relevés précis en relation avec les utilisateurs. Analyse des moyens de transfert des équipements hautement sensibles. Planification du transfert, suivi des travaux jusqu’à remise en service et réception des équipements.

  • Secteur activité : Laboratoire de recherche
  • Maître d'ouvrage : CEA Grenoble
  • Equipements concernés : 60 équipements sur 4 bâtiments
  • Mission : DCE et OPC
  • Durée des études : 1 mois
  • Durée des travaux : Plusieurs transferts pendant une année
  • Etat du projet : 2020 En cours

Autres projets